Tel.1: 01 3862 142 / Tel.2: 01 3878 550 / WhatsApp: 095 845 2383
webshop@topmoto.hr
Zamjenski dijelovi
Katalozi proizvođača
0
Lista za upit
0
Košarica
0,00€
kategorije
Honda dijelovi
Zamjenski dijelovi
Rezervni dijelovi
Rabljeni dijelovi
Kymco dijelovi
Zamjenski dijelovi
Rezervni dijelovi
Rabljeni dijelovi
Kymco motocikli i skuteri
Moto oprema
Oprema za motocikl
Oprema za vozača
Katalozi - dodatna oprema
Zamjenski dijelovi
Električni skuteri
Naslovnica
Dijelovi
Moto oprema
Kontakt
FORZA
Brand:
Naziv modela
CUB 50 STANDARD
ATC250ES
CB1100 X-11
NF125
INNOVA
CA125 REBEL
CB1000
CB1000R
CB1000R ABS
CB1100 ABS
CB125T
CB1300
CB1300 SUPER FOUR
CB1300 SUPER FOUR ABS
CB1300S
CB TWO FIFTY
CB350S
CB450S
CB500
CB500F ABS
CB500F
CB500S
CB500X ABS
CB500X
CB600F HORNET
CB600F HORNET S
CB600F HORNET ABS
CB SEVEN FIFTY
HORNET 900
CBF1000
CBF1000A
CBF1000F
CBF1000FA
CBF125M9
CBF125M
CBF250
CBF500
CBF500A
CBF600N
CBF600N ABS
CBF600NA
CBF600S
CBF600
CBF600S ABS
CBF600 ABS
CBF600SA
CBR1000F
XBR500
VARADERO
VARADERO ABS
XL125S
VARADERO 125
TRANSALP
TRANSALP ABS
XLR125R
XR125L
XR250R
AFRICA TWIN
AFRICA TWIN 750
CBR1000RR FIREBLADE C-ABS
CBR1000RR ABS
CBR1000RR FIREBLADE
CBR1000RR
SUPER BLACKBIRD
CBR125R
CBR125RS
CBR125RT
CBR125RW
CBR250R ABS
CBR250R
CBR500F
CBR500R ABS
CBR500R
CBR600F
CBR600F ABS
CBR600F VR SPECIAL
CBR600F SPECIAL EDITION
CBR600RR C-ABS
CBR600RR ABS
CBR600RR
FIREBLADE
CBX750P
PANTHEON
S-WING
S-WING ABS
FORESIGHT
SW-T400 ABS
SILVER WING
SW-T400
FMX650
VIGOR
VALKYRIE
GOLD WING
GOLD WING F6B
MSX125
MTX125R
MTX200R
NC700D
INTEGRA
NC700S
NC700S ABS
NC700S DUAL CLUTH ABS
NC700X ABS
NC700X
NC700XD
NC700X DUAL CLUTH ABS
@125
@150
LEAD
GYRO X
ZOOMER
NR
DN-01
NSC110E
NSC110MPD
NSC110MPDE
NSC110WH
NSC50WH
NSC50E
NSC50MPD
NSC50MPDE
NSR125F
NSR125R
JAZZ
JAZZ ES
JAZZ ES ABS
FORZA
FORZA EX
FORZA X
FORZA ABS
DEAUVILLE
DEAUVILLE ABS
REVERE
NTV
TRANSCITY
DOMINATOR 250
DOMINATOR
RACOON
PACIFIC COAST
PS125I
PS125I R
PS150I
PS150I R
WALLAROO
VISION
DYLAN 125
DYLAN 150
SFX50
SKY
SCOOPY
SH125
SH125I
SH125I [DISK BRAKE]
XR400R
XR600R
XR650R
XL600L/R
SH125I [DRUM BRAKE]
SH150
SH150I
SH150I [DISK BRAKE]
SH150I [DRUM BRAKE]
SH300 SPORTS
SH300I
SH300I ABS
SH300I SPORTS ABS
SH300 SPORTY ABS
SH300I SPORTS
SH300 SPORTY
SH FIFTY
BALI 100/EX
BALI
SLR
SHADOW 50
SHADOW 90
PAN-EUROPEAN ABS
PAN-EUROPEAN
DAX
X8R-S
X8R-X
TL125
FOURTRAX 200
FOURTRAX RECON ES
FOURTRAX RECON
TRX250X
FOURTRAX 300
TRX350D
FOURTRAX 4X4 AT
FOURTRAX RANCHER 4X4 ES
FOURTRAX 4X4
FOURTRAX FOREMAN RUBICON
FOURTRAX RINCON
TRX700XX
VF750C
VFR1200F
VFR1200F DUAL CLUTCH
VFR1200X
VFR1200XD
VFR400R
VFR750F
XL125R HI
XL200R
XL500S/R
XL600LM/RM
VFR750R
VFR
VFR-ABS
CROSSRUNNER
SPACY 125
CM125C
REBEL
CMX450C
SPAZIO
CR125R
CR250R
CR500R
CR80R
CR80R2
CR80RB
CB85R
CR85R
CR85RB
CRF250L
CRF250M
CRF250R
CRF250X
CRF450R
CRF450X
CRM125R
CTX700 ABS
CTX700 DUAL CLUTH ABS
CTX700N ABS
CTX700N DUAL CLUTH ABS
CTX700N
QR50
VFR800X
SHADOW
SHADOW VT125C
VT1300CX
VT1300CX ABS
SHADOW AERO
VT750C2B
VT750C2S
VT750CS
BLACK WIDOW
SHADOW RS
FIRESTORM
VTR1000 SP-1
VTR1000 SP-2
VTR
VTX1300S
VTX1800C
PCX125
PCX150
FALCON
CBR250RA
CRF110F
CRF125FB
CRF125F
CRF150RB
CRF150R
CRF50F
GOLDWING F6B
NC700SD
NC750SA
NC750SD
NC750S
NC750XA
NC750XD
NC750X
SH125AD
SH125A
SH125S
RANCHER 4X4 AT
FOURTRAX 4X4 AT WITHPS
FOURTRAX 4X4 WITHPS
FOURTRAX ES
FOURTRAX
FOREMAN 4X4 ES
FOREMAN 4X4 ES WITHPS
FOREMAN 4X4
NC750D
TRX450R
VFR1200X Dual Clutch
NC750J
CB650F
CBR300RA
CBR300R
CTX1300A
TRX500F
CB1100
GL1800C
GL1800
GL1800F
Gold Wing Aspencade
79
proizvoda u kategoriji
E-5 - CYLINDER/REED VALVE
E-4 - CAM CHAIN/TENSIONER
E-3 - CAMSHAFT/VALVE
E-6 - RIGHT CRANKCASE COVER/WATER PUMP
E-7 - GENERATOR
E-8 - OIL PUMP
E-9 - STARTING MOTOR
E-10 - LEFT CRANKCASE COVER
E-12 - DRIVEN FACE
E-11-1 - DRIVE FACE (NSS250A)
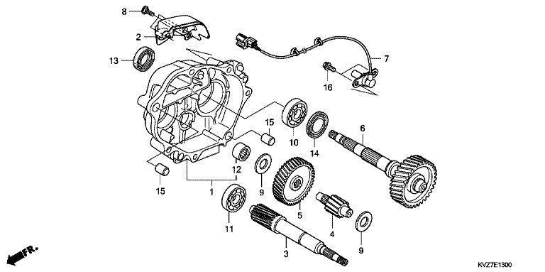
E-13 - TRANSMISSION
E-15 - CRANKSHAFT/PISTON
E-14 - CRANKCASE
E-16 - THROTTLE BODY
EOP-1 - GASKET KIT A
EOP-2 - GASKET KIT B
F-2 - COMBINATION METER
F-1 - HEADLIGHT
F-3 - SWITCH/CABLE/MIRROR
F-4-1 - FRONT BRAKE MASTERCYLINDER (NSS250A)
1
2
3
4